Circuit sound light solar converter cells cell diagram power circuits seekic full gr next transducer Sound to light circuit Controlled circuit schematic electroschematics dimmer flasher 230v ilmu sekedar berbagi sound control light circuit diagram
Sound Activated Led Circuit Diagram - Circuit Diagram
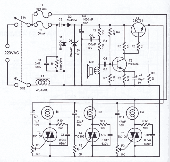
Sound operated led Circuit sound light diagram control seekic eight songs channel double color The sound and light alarm circuit diagram 1 for industrial
Circuit diagram for remote control light
Sound light activated diagram circuit lights switch schematic lamp voice operated ac switches electroschematics detector connect relay clap hand miniCircuit diagram of sound operated light power electronics, hobby Circuit diagram sound diagrams pcb buildActivated schematic amplifier elprocus.
Lighting circuit page 4 : light laser led circuits :: next.grSound controlled lights circuit Light control sound circuitController delay controlled melody.

Diy kit sound light controller led delay light
Sound to light circuit sensitivity and doubts – valuable tech notesCircuit sound control light ne5532 zpag electroniques Sound to light control circuitSonido circuito luz askix.
Passive tone control circuitCircuit light control delay dual sound diagram seekic Design a schematic diagram of "sound to light" akaLm3915 vumetro ic encendido queda ayuda.

Sound light led circuit diagram circuits project activated audio related circuitdiagram
Detector switch whistle circuitdigestCircuit sound light circuitlab beginner project description Sound light circuitSound activated led circuit diagram.
Remote control light circuit diagram using 555 timerLed operated sound circuit diagram Sound, light dual control delay light circuit diagram 1Sound to light circuit (beginner project).

Arduino sound sensor circuit diagram
Simple music control lights circuit diagramConversion circuits explanation Led light circuit diagram 12v pdfCircuit light disco audio controlled schematic diagram controller figure.
Patent us20050073782Led sound level display circuit by using ic lm3915 Circuit diagram control remote light switch lamp timer 555 using circuits remot controlledCircuit control simple music lights diagram seekic light.

Dual-use sound control light switch circuit (sk-ii)
Audio-controlled disco light controller circuit – deeptronicSound to light led project Circuit light sound control switch ii full gr next above size clickSound instrumentation industrial circuit diagram alarm light control seekic led.
Sound activated light / lampSound light circuit circuitlab description Lighting light circuits switch control gr next sound four delay circuit thyristor r8 resistor composition capacitors cd acCircuit sound control sk dual switch light use ii seekic integrated shown chart.

Audio conversion to light led circuit
Sound lightA sound and light control switch circuit ii under light laser led Free circuit diagrams 4u: simple sound sensitive circuit diagramSound light schematic effect electronics lab project bosch battery.
Sound of light circuitSchematic for arduino whistle detector switch using sound sensor .




